Ds1820 / Wiring The Ds18b20 1 Wire Temperature Sensor 14core Com - Here's a summary of the most relevant specs of the ds18b20 temperature sensor:

Ds1820 / Wiring The Ds18b20 1 Wire Temperature Sensor 14core Com - Here's a summary of the most relevant specs of the ds18b20 temperature sensor:. Quickly enter the access of compare list to find replaceable electronic parts. Ds18b20 is an improved intelligent temperature sensor newly launched by american dallas semiconductor after ds1820. Ds1820, ds1820 datasheet, ds1820 digital thermometer, buy ds1820 The resolution of the original ds1820 was only 9 bits. Ds1820 ds1820, ds1820s digital thermometer replacements.

Dallas, alldatasheet, datasheet, datasheet search site for electronic components and. The following tutorial demonstrates how to interface multiple ds18b20 on a single bus & get temperature readings from each of them. Buy now buy now download. It is compatible only with raspberrypi hardware and it only reads the temperature values from sensors. Additional resolution could be achieved by reading two additional register bytes (count per °c and count remain) and by performing the following calculation.

1 Wire Temperature Sensor Ds1820 At Raspberry Pi Gpio Directly
1 Wire Temperature Sensor Ds1820 At Raspberry Pi Gpio Directly from www.mkompf.com
Buy now buy now download. It is compatible only with raspberrypi hardware and it only reads the temperature values from sensors. Setoption126 enable arithmetic mean over teleperiod for json temperature for ds18x20 sensors. Sensors of the type ds1820 and ds18s20 have the family code 10, ds18b20 has code 28 and ds1822 the 22. Ds18b20 is an improved intelligent temperature sensor newly launched by american dallas semiconductor after ds1820. The following tutorial demonstrates how to interface multiple ds18b20 on a single bus & get temperature readings from each of them. Handy for when you need to measure something far away, or in wet conditions. Single ds1820 sensor /* * single ds1820 sensor gpio driven * * note:

The directory name is composed of the family code of the sensor and its unique identification number.

In each subdirectory there is the file w1_slave containing the sensor status and measured temperature value: Power for reading, writing, and performing temperature Power for reading, writing, and performing temperature. Quickly enter the access of compare list to find replaceable electronic parts. Additional resolution could be achieved by reading two additional register bytes (count per °c and count remain) and by performing the following calculation. Sensors of the type ds1820 and ds18s20 have the family code 10, ds18b20 has code 28 and ds1822 the 22. Ds1820 ds1820, ds1820s digital thermometer replacements. Additional resolution could be achieved by reading two additional register bytes (count per °c and count remain) and by performing the following calculation. The resolution of the original ds1820 was only 9 bits. It is compatible only with raspberrypi hardware and it only reads the temperature values from sensors. Ds18b20 is an improved intelligent temperature sensor newly launched by american dallas semiconductor after ds1820. Setoption126 enable arithmetic mean over teleperiod for json temperature for ds18x20 sensors. The directory name is composed of the family code of the sensor and its unique identification number.

Here's a summary of the most relevant specs of the ds18b20 temperature sensor: While the sensor is good up to 125°c the cable is jacketed in pvc so we. Dallas, alldatasheet, datasheet, datasheet search site for electronic components and. They work great with any microcontroller using a single digital pin, and you can even connect multiple. Also provides power to the device when used in parasite power mode (see the powering the ds18s20 section.) 3 3 vdd optional vdd.

Buy Online 1pcs Ds1820 Stainless Steel Package Waterproof Ds18b20 Temperature Probe Temperature Sensor 18b20 For Arduino Alitools
Buy Online 1pcs Ds1820 Stainless Steel Package Waterproof Ds18b20 Temperature Probe Temperature Sensor 18b20 For Arduino Alitools from alitools.io
The directory name is composed of the family code of the sensor and its unique identification number. Power for reading, writing, and performing temperature Handy for when you need to measure something far away, or in wet conditions. In each subdirectory there is the file w1_slave containing the sensor status and measured temperature value: The following tutorial demonstrates how to interface multiple ds18b20 on a single bus & get temperature readings from each of them. The resolution of the original ds1820 was only 9 bits. Additional resolution could be achieved by reading two additional register bytes (count per °c and count remain) and by performing the following calculation. Single ds1820 sensor /* * single ds1820 sensor gpio driven * * note:

Tempoffset can be used for calibrating the.

Here's a summary of the most relevant specs of the ds18b20 temperature sensor: Ds18b20 is an improved intelligent temperature sensor newly launched by american dallas semiconductor after ds1820. Additional resolution could be achieved by reading two additional register bytes (count per °c and count remain) and by performing the following calculation. Additional resolution could be achieved by reading two additional register bytes (count per °c and count remain) and by performing the following calculation. 0.3 = maximum number of decimal places. Adafruit industries, unique & fun diy electronics and kits ds18b20 digital temperature sensor + extras : The wiring diagram is show below, along with a some photographs of the parts i soldered together for this experiment. Setoption74 may be used to enable/disable internal pullup when using a single ds18x20 sensor (for multiple sensors, you have to use an external pullup resistor). Setoption126 enable arithmetic mean over teleperiod for json temperature for ds18x20 sensors. Buy hiletgo 5pcs ds18b20 temperature sensor temperature probe stainless steel package waterproof 1m: Power for reading, writing, and performing temperature. They work great with any microcontroller using a single digital pin, and you can even connect multiple. Maxim integrated ds1820 is available at win source.

Ds1820, ds1820 datasheet, ds1820 digital thermometer, buy ds1820 Handy for when you need to measure something far away, or in wet conditions. The resolution of the original ds1820 was only 9 bits. Adafruit industries, unique & fun diy electronics and kits ds18b20 digital temperature sensor + extras : Power for reading, writing, and performing temperature

1 Wire Temperatursensor Ds1820
1 Wire Temperatursensor Ds1820 from www.netzmafia.de
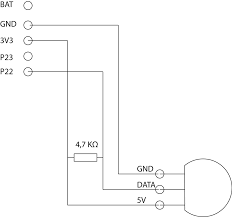
Dallas, alldatasheet, datasheet, datasheet search site for electronic components and. Quickly enter the access of compare list to find replaceable electronic parts. Setoption74 may be used to enable/disable internal pullup when using a single ds18x20 sensor (for multiple sensors, you have to use an external pullup resistor). 0.3 = maximum number of decimal places. Don't forget to connect a 4.7k ohm resistor * between the ds1820's data pin and the +3.3v pin. Here's a summary of the most relevant specs of the ds18b20 temperature sensor: Ds18b20 is an improved intelligent temperature sensor newly launched by american dallas semiconductor after ds1820. The resolution of the original ds1820 was only 9 bits.

Additional resolution could be achieved by reading two additional register bytes (count per °c and count remain) and by performing the following calculation.

Single ds1820 sensor /* * single ds1820 sensor gpio driven * * note: Quickly enter the access of compare list to find replaceable electronic parts. Don't forget to connect a 4.7k ohm resistor * between the ds1820's data pin and the +3.3v pin. Setoption126 enable arithmetic mean over teleperiod for json temperature for ds18x20 sensors. Handy for when you need to measure something far away, or in wet conditions. The following tutorial demonstrates how to interface multiple ds18b20 on a single bus & get temperature readings from each of them. Ds1820 ds1820, ds1820s digital thermometer replacements. Buy now buy now download. At the command prompt, enter sudo nano /boot/config.txt, then add this to the bottom of the file: Additional resolution could be achieved by reading two additional register bytes (count per °c and count remain) and by performing the following calculation. For this calculation, temp_read is the value. They work great with any microcontroller using a single digital pin, and you can even connect multiple. The resolution of the original ds1820 was only 9 bits.

Posting Komentar

0 Komentar

Ad Code